影音天地主旨 ﹝請按主旨作出回應﹞  上頁  下頁  首頁  尾頁 寄件者 傳送日期 由舊至新 由新至舊
[#15827] Altec AA-1000    
Altec AA-1000是Altec Service Corporation(Altec Lansing前身)於1939年推出劇院後級放大器,此機是名乎其實Altec第一代的後級放大器。當年Altec Service Corporation的早期業務主要是接手Western Electric其下ERPI遺留下來的劇院音響維修及保養合約,而Altec AA-1000是Altec Service維修用可攜式劇院後級放大器,6L6推挽設計20 Watts輸出!當期時此機主要是作為緊急維修時後備使用的劇院後級放大器,主要用於以替代Western Electric 91劇院後級放大器之用!


Pilotrol
個人訊息 正式會員
24.xxx.xxx.242
2022-08-23 08:09
[#15828] Fisher 200    
Fisher 200後級放大器是Fisher於1958年推中的中高功率後級放大器,此機是Fisher上一代中高功率後級放大器Fisher 55-AZ的繼承型號。設計上也繼承了部份Fisher 55-AZ的設計,由於當其時市場上對功率大幅提升,輸出由上一代的EL34三極接駁推挽輸出更改為EL34五極推挽60 Watts輸出,繼以獲得更高的輸出功率!



最後修改時間: 2022-08-24 06:09:07
Pilotrol
個人訊息 正式會員
24.xxx.xxx.242
2022-08-24 06:03
[#15829] RCA PG-62    
RCA PB-88前級放大器和RCA PB-89後級放大器(RCA MI-4211)是RCA於1932年推出市場的RCA PG-62可攜式PA音響系統的主力放大器,RCA PB-89後級放大器為59推挽設計20 Watts輸出!當年同系姊妹機還有RCA PG-63!



最後修改時間: 2022-08-25 07:54:43
Pilotrol
個人訊息 正式會員
24.xxx.xxx.242
2022-08-25 07:53
[#15830] Maihak V45    
Maihak V45是Maihak於1953年推出市場的廣播用可攜式混音放大器,用上插入式Module設計!當年主要用於戶外錄音或戶外廣播混音用途,此機屬Telefunken V系於50年代主力廣播用可攜式混音放大器,常見於德國流動廣播車內!



最後修改時間: 2022-08-26 07:44:31
Pilotrol
個人訊息 正式會員
24.xxx.xxx.242
2022-08-26 07:43
[#15831] Maihak V45    
Maihak V45上的插入式Module!

Pilotrol
個人訊息 正式會員
24.xxx.xxx.242
2022-08-26 07:46
[#15832] Langevin CSL-1200    
Langevin CSL-1200是Langevin於1963年推出市場的廣播或錄音用的立體聲混音放大器,此機是晶體管和真空管交替期產品,而當年Langevin同時推出了真空管版本的Langevin CSL-1200和晶體管版本的Langevin CSL-1201以供用家選擇!另外更有推出Kit-Form版本Langevin CSL-1200-K和Langevin CSL-1201-K!



最後修改時間: 2022-08-27 07:07:49
Pilotrol
個人訊息 正式會員
24.xxx.xxx.242
2022-08-27 07:06
[#15833] Western Electric 141A    
有網友見倒日本網站有一對Western Electric 141A賣66萬日元是否抵買?其實小弟冇記錯之前同另一網友問過同一部機,其實該網站上日文已說明Western Electric 141A上的Western Electric 618B輸入變壓器是「レプリカ品」即是Replica復刻製品,而非原裝Western Electric 618B!其實今天Western Electric 618B已經炒至6~7000美金近天價一對,所以真正原裝Western Electric 141A並不會便宜到那裏去的,日本人做生意通常較老實,換咗又或者翻撓過都會清楚說明,問題是你要先看清楚日文原文細節!

Pilotrol
個人訊息 正式會員
24.xxx.xxx.242
2022-08-28 05:59
[#15834] Western Electric 141A    
幾年前日本西電專門店曾放出一對沒有Western Electric 618B輸入變壓器的Western Electric 141A,而賣價只是10萬日元,不竟Western Electric 141A最大賣點都係Western Electric 618B...!

Pilotrol
個人訊息 正式會員
24.xxx.xxx.242
2022-08-28 06:04
[#15835] BBC AM8/6    
BBC AM8/6是BBC於1963年推出的鑑聽後級放大器,KT88推挽設計30 Watts輸出! 當年此機主要是用於推動BBC LS5/2鑑聽揚聲器!

Pilotrol
個人訊息 正式會員
24.xxx.xxx.242
2022-08-28 20:41
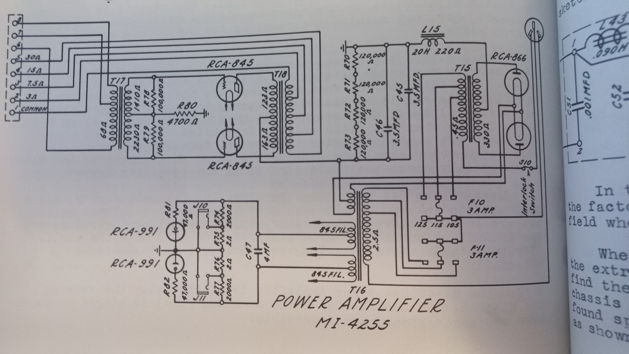
[#15836] RCA MI-4240 求助    
Alan Ching, please check PM




最後修改時間: 2022-08-28 23:58:46
WilliamsonAudio
個人訊息 正式會員
182.xxx.xxx.189
2022-08-28 23:55
[#15837] RCA MI-4240 求助    
Dear Wilson兄

小弟已經把RCA MI-4240和RCA MI-4255線路圖傳給你!

Best regards
Alan

Pilotrol
個人訊息 正式會員
24.xxx.xxx.242
2022-08-30 08:23
[#15838] RCA MI-4240 求助    
Mi-4240 是什麼推動的?

Willamson, 我也有4255, 多多交流~
taimonsing
個人訊息 正式會員
1.xxx.xxx.59
2022-08-30 09:54
[#15839] RCA MI-4240 求助    
RCA MI-4240經輸入牛之後行一支6C6作為初級放大,之後兩支支76作為次級和第三級放大再經交連牛分相推動兩支45推挽輸出!RCA MI-4240之前係光影唱頭輸入!



最後修改時間: 2022-08-30 18:15:22
Pilotrol
個人訊息 正式會員
24.xxx.xxx.242
2022-08-30 18:14
[#15840] RCA MI-4240 求助    
Alan Ching,

收到了,谢谢你的幫助。

網上基本上是找不到這些資料。
WilliamsonAudio
個人訊息 正式會員
182.xxx.xxx.199
2022-08-30 18:54
[#15841] RCA MI-4240 求助    
#15838

師兄用什麽推MI-4255?
WilliamsonAudio
個人訊息 正式會員
182.xxx.xxx.199
2022-08-30 19:00
[#15842] Fisher and Pilot 古董同好會 ~ Vintage Amplifiers    
我用PB-23 同樣是45pp不過應該比較早期

taimonsing
個人訊息 正式會員
1.xxx.xxx.59
2022-08-30 23:06
[#15843] Electro-Voice A50    
Electro-Voice A50是Electro-Voice於1955年推出的單聲道後級放大器,6550以Circlotron接駁推挽50 Watts輸出!當年Electro-Voice A50是由Alpha M. Wiggins負責設計開發,並用上了Electro-Voice著名的Circlotron輸出線路設計。當年此機屬民用後級放大器旗艦,而輸出功率緊次於Electro-Voice系內專業用的Electro-Voice A100。此機當年主要配合Electro Voice PC-1前級放大器一同使用。

Pilotrol
個人訊息 正式會員
24.xxx.xxx.242
2022-08-31 08:03
[#15844] Dynatron TC16, LF15 & LF16    
Dynatron TC16立體聲前級放大器配Dynatron LF15和Dynatron LF16後級放大器是Dynatron於1959年推出市場的立體聲音響組合!Dynatron LF15和Dynatron LF16後級放大器輸出段同為EL84推挽設計10 Watts輸出!



最後修改時間: 2022-09-01 08:10:04
Pilotrol
個人訊息 正式會員
24.xxx.xxx.242
2022-09-01 08:09
[#15845] RCA MI-4231 & RCA MI-4256    
亞星開心分享了集齊一對RCA MI-4231前級放大器和RCA MI-4256後級放大器的喜悅!

Pilotrol
個人訊息 正式會員
24.xxx.xxx.242
2022-09-02 08:28
[#15846] RCA MI-4231 & RCA MI-4256    
當年RCA PHOTOPHONE 既 DELUEX LINE 和之前相處多年既 MI-4288 分別真係好大,而開始同 RCA PHOTOPHONE和BROADCAST有更深的體會,同於各位2A3的紛絲,這機是不可錯過的~
taimonsing
個人訊息 正式會員
1.xxx.xxx.59
2022-09-02 21:23
主旨內容一共有 853 頁,每頁顯示 20 個信息,選擇頁數:  上頁  下頁  首頁  尾頁
按照傳送日期顯示:由舊至新由舊至新  由新至舊由新至舊
最新資訊 - 市場
駿韻音響有限公司Wise Sound Supplies Ltd. 2026-02-16

最新資訊 - 市場
P&O Hi-Fi Company Limited 2026-02-16

最新資訊 - 影音
Børresen 推出超弩級旗艦座地喇叭 M8 Gold Signature 2026-02-15

最新資訊 - 影音
Meze Audio 推出 STRADA 便攜封閉式頭戴耳機 2026-02-13

最新資訊 - 影音
Sennheiser CX 80U及HD 400U呈獻新一代高效能數碼音訊體驗 2026-02-13

最新資訊 - 影音
Acoustune HSX ONE 真無線藍牙耳機 2026-02-13

最新資訊 - 影音
Unison Research 推出全新旗艦後級放大器 Unico DM v2 2026-02-13

最新資訊 - 影音
Unison Research 推出全新旗艦前級放大器 Unico Pre v2 2026-02-12